Carte électronique 230 V pour portail coulissant et barrières levantes sans coffret de commande
zoom_out_map
video Carte électronique 230 V pour portail coulissant et barrières levantes sans coffret de commande
Carte électronique 230 V pour portail coulissant et barrières levantes sans coffret de commande

Carte électronique 230 V pour portail coulissant et barrières levantes sans coffret de commande

Carte électronique 230 V sans coffret pour portail coulissant et barrières levantes

197,01 € TTC

164,18 € HT

notifications_active Derniers articles en stock
Garanties sécurité
Politique de livraison
Politique retours

Carte électronique 230 V sans coffret pour portail coulissant et barrières levantes

Version universelle de la carte mère d'ouvre-porte coulissant
1. Cette carte de commande correspond aux moteurs de portail coulissant, entrée d'alimentation 220 V, fréquence 433,92 MHz.
Caractéristiques techniques
Alimentation 220 V CA +/- 10 %
Consommation électrique 1 W (veille)
Alimentation secondaire 12 Vdc 250 mA (@ 25°C)
Puissance du moteur 750 W
Sortie de lumière clignotante 230Vac, 25W
Plage de température de fonctionnement -5 +60°C
2. Tant que la télécommande 433,92 MHz et à code rouleau, elle peut correspondre à ce circuit imprimé.

Si vous choisissez notre télécommande, la télécommande ne contient pas de batterie (car la batterie ne peut pas être envoyée par livraison express ou petit colis, la batterie est 27A 12V) ;
3. Cette carte est uniquement destinée au moteur de portail coulissant 220 V AC, pas à d'autres tensions ;

Ce n'est pas pour l'ouvre-porte SWING.


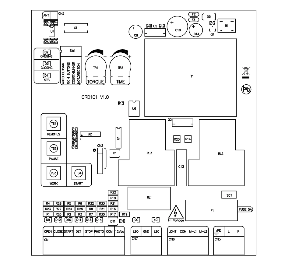
Schéma carte électronique

Caractéristiques techniques

Carte électronique
3701473615926
Nouveau
3701473615926
16 autres produits dans la même catégorie :